
Size:DN100~DN 2000
Pressure:PN10/PN16/150 psi/200 psi
Standard:
Face to face: EN558-1 Series 20,API609
Flange connection: EN1092 PN6/10/16,ANSI B16.1,JIS 10K
Top flange: ISO5211
Characteristics:
1.Correcting holes are made on flange according to standard, easy correcting during the installation.
2.Through-out bolt or one-side bolt used,easy replacing and maintenance.
3. Phenolic backed seat or aluminium backed seat:Non-collapsible,stretch resistant,blow out proof,field replaceble.
Description:
UD Series hard seated butterfly valve?is Wafer pattern with flanges ,the face to face is EN558-1 20 series as wafer type.
Material of Main Parts:?
|
Parts |
Material |
|
Body |
CI,DI,WCB,ALB,CF8,CF8M |
|
Disc |
DI,WCB,ALB,CF8,CF8M,Rubber Lined Disc,Duplex stainless steel,Monel |
|
Stem |
SS416,SS420,SS431,17-4PH |
|
Seat |
NBR,EPDM,Viton,PTFE |
|
Taper Pin |
SS416,SS420,SS431,17-4PH |
Applications:
?
Water and waste water treatment,sea water desalination,irrigation,cooling system,electric power,sulfur removal,petroleum refining,oilfield,mining,HAVC,etc?
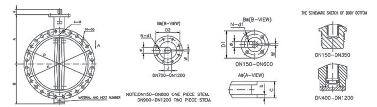
| DN | A | B | H | D0 | C | D | K | ? | d | N-do | 4-M | b | D1 | D2 | N-d1 | F | Φ2 | W | J | |||
| 10 | 16 | 10 | 16 | 10 | 16 | 10 | 16 | |||||||||||||||
| 150 | 226 | 139 | 28 | 156 | 56 | 285 | 240 | 240 | 188 | ? | 8-23 | 8-23 | ─ | ─ | 19 | 90 | 70 | 4-10 | 13 | 18.92 | 5 | 20.92 |
| 200 | 260 | 175 | 38 | 202 | 60 | 340 | 295 | 295 | 238 | ? | 8-23 | 12-23 | ─ | ─ | 20 | 125 | 102 | 4-12 | 15 | 22.1 | 5 | 24.1 |
| 250 | 292 | 203 | 38 | 250 | 68 | 405 | 350 | 355 | 292 | ? | 12-23 | 12-28 | ─ | ─ | 22 | 125 | 102 | 4-12 | 15 | 28.45 | 8 | 31.45 |
| 300 | 337 | 242 | 38 | 302 | 78 | 460 | 400 | 410 | 344 | ? | 12-23 | 16-28 | ─ | ─ | 24.5 | 125 | 102 | 4-12 | 20 | 31.6 | 8 | 34.6 |
| 350 | 368 | 267 | 45 | 333 | 78 | 520 | 460 | 470 | 374 | ? | 16-23 | 12-31 | ─ | ─ | 24.5 | 150 | 125 | 4-14 | 20 | 31.6 | 8 | 34.6 |
| 400 | 400 | 325 | 51 | 390 | 102 | 580 | 515 | 525 | 440 | ? | 12-28 | 16-31 | 4-M24 | 4-M27 | 24.5 | 175 | 140 | 4-18 | 22 | 33.15 | 10 | 36.15 |
| 450 | 422 | 345 | 51 | 441 | 114 | 640 | 565 | 585 | 491 | ? | 16-28 | 16-31 | 4-M24 | 4-M27 | 25.5 | 175 | 140 | 4-18 | 22 | 37.95 | 10 | 40.95 |
| 500 | 480 | 378 | 57 | 492 | 127 | 715 | 620 | 650 | 535 | ? | 16-28 | 16-34 | 4-M24 | 4-M30 | 26.5 | 175 | 140 | 4-18 | 22 | 41.12 | 10 | 44.12 |
| 600 | 562 | 475 | 70 | 593 | 154 | 840 | 725 | 770 | 654 | ? | 16-31 | 16-37 | 4-M27 | 4-M33 | 30 | 210 | 165 | 4-22 | 22 | 50.63 | 16 | 54.65 |
| 700 | 624 | 543 | 66 | 695 | 165 | 910 | 840 | 840 | 744 | ? | 20-31 | 20-37 | 4-M27 | 4-M33 | 32.5 | 300 | 254 | 8-18 | 30 | 63.35 | 18 | 71.4 |
| 800 | 672 | 606 | 66 | 795 | 190 | 1025 | 950 | 950 | 850 | ? | 20-34 | 20-41 | 4-M30 | 4-M36 | 35 | 300 | 254 | 8-18 | 30 | 63.35 | 18 | 71.4 |
| 900 | 720 | 670 | 110 | 865 | 200 | 1125 | 1050 | 1050 | 947 | ? | 24-34 | 24-41 | 4-M30 | 4-M36 | 37.5 | 300 | 254 | 8-18 | 34 | 75 | 20 | 84 |
.